The 300B Tube is still Alive!


The much admired (late) Mr. Sakuma build and played this 300B amplifier himself, in the famous Concorde restaurant in Japan, using Vaic Valve 300B tubes.

Mr. Sakuma served only one meal, a hamburger Japanese Style. The guests could choose however which tube amplifier should play the records of his choice.


 
THIS PAGE IS ABSOLUTELY UNFINISHED - IF YOU HAVE INTERESTING INFORMATION TO ADD, PLEASE EMAIL ME!

When you are interested in 300B Tubes, you find the whole internet full of 300B amplifier projects, showing the great interest in the tube. Schematics and pictures are everywhere, even more then you need. At Ebay there is a mess with Chinese tubes, and Russian tubes are available for reasonable prices even. Only, if you are interested in the history of the 300B tube, you find very little. So I have put together here some facts, other than who sells the greatest 300B amplifier in the world.

Table sorted by start of 300B tube production date

94
95
96
97
98
99
00
01
02...05
06
07
08
09
10..18
22
correct data
1938
1988
Generic production by Western Electric. The one and only original. Out of production since 1988.
Start Date?
1950
Today
Shuguang (China), in all kind of versions, sold under continuously changing brands, but If the tube is from China, it's a Shuguang.
correct data
94
01
VAIC-VALVE and AVVT by Alesa Vaic
Start Date?
95
06
Richardson USA, under the CETRON Brand.
correct data
97
08
Replica 300B, by Charles Whitener, in his own factory, partially with WE tools, Using a brand license. Exceptional nice boxes, with impressive paper work. Who can tell made them stop production in 2008? Please let me know
                                   
22
Today
Replica, made by Charles Whitener. Production starts again in 2022.
Start Date?
97
Today
KRONE AUDIO
Start Date?
98
Today
Reflektor (Russia) marketed as Sovtek, or EHX
Start Date?
98
Today
Svetlana (Russia), marketed as Sovtek, later as Winged C
Start Date?
98
Today
JJ Slovakia
Start Date?
99
Today
Fullmusic, China
correct data
00
Today
Emission Labs, Czech Republic
correct data
10
Today
Takatsuki, Japan.
UNLISTED 300B TUBES: For Chinese trade names, we do not list that here, because this is a 300B FACTORY list. check here, for a other than 300B.

.
This is the list of FACTORIES that produce 300B tubes.

There are several brands on the market, which are made in one of the factories above here. Specially in China, this is a very dynamic scene, and it is not possible to be up to date here. From what I know, I can tell the following:

  • SHUGUANG occasionally sells under it's own brand name, but doesn't seem to like that.
  • Chinese 300B, it is unclear (to me...) what is the factory, and what are only trade companies.
  • Emission Labs: Genuine brand with own production
  • REFLEKTOR FACTORY in Saratov. Used trade names are: Sovtek + Electro Harmonix
  • TJANJIN Factory, with links to SHUGUANG. Brands used: Fullmusic, Sofia.
  • VAIC VALVE. Genuine brand with own production.
  • AVVT: Genuine brand with own production. Around 1998 tubes were sold under Audio Note brand,
  • KR: Genuine brand with own production

300B MESH

These were introduced by Emission Labs, and there is no other factory that makes them as we write here in 2024. The Chinese factories produce only an optical illusion of mesh tubes. We have no other thing to say, we call this faked mesh.

300B with Tungsten (bright) Heater

The German company ELROG makes a tube they call 300B. With all respect to the professional work, and the truly nice appearance of those tubes, to my personal opinion this tube is not a real 300B. Tungsten (bright) heater tubes by definition can not deliver high current at low voltage, as good as Barium heater tubes will do. But it is still quite an achievement, they have come as close to 300B with a tungsten filament, as they do. The ELROG has a tungsten heater, which is optically nice, but this technology has by default lower emission than the (red glowing) Barium Heaters of Western Electric 300B. This will have a drawback on the tube curves, and as a logic result, such tubes cannot have the same dynamic parameters at the same variety of operating points which is possible with a Western Electric 300B. So it is a matter of taste if you still want to call this a 300B. You can, but personally I am not doing so. For this reason it is not listed in the '300B Factory' list. This note reflects the situation of 2024, when this text part was last edited.


CALL FOR INFORMATION!

IF THERE IS ANYTHING WRONG WITH THE ABOVE 300B INFORMATION; PLEASE LET ME KNOW, I WILL BE GLAD TO CORRECT IT HERE.

CONTENTS
1 ) History of the 300B tube.
2) Factories producing 300B.
CETRON
EI
EMISSION LABS
JJ ELECTRONICS
FULLMUSIC
REFLEKTOR
SHUGUANG
SVETLANA
VAIC VALVE
WESTERN ELECTRIC VINTAGE
WESTERN ELECTRIC REPLICA-1
WESTERN ELECTRIC REPLICA-2
3) Some historic amplifiers
4) Some Schematics

HISTORY OF THE 300B tube

The mother of the 300B is the 300A, both designed by Western Electric.
Made by: Quality
Made from
Made until
300A With bayonet at Position A. With bayonet at Position A Western Electric Said to be superb, but I never saw one in real life.
1938
300B With bayonet at Position A. With bayonet at Position B Western Electric Said to be superb, but I never saw one in real life.
300B Without bayonet pin Western Electric. I one testers a pair from 1958. Transconductance stayed unchanged even below 2.5V heater. Around 2.3 Volt heater, transconductance starts to drop. And yet heater glow temperature was normal at 5V, and almost invisible at 2.5V. I verified this with the 'Charles Whitener' tubes (next line) and these did not have this. I have only seen this extremely good emission with these WE tubes, and some pre-war Telefunken tubes.
1988
300B Without bayonet pin

Charles Whitener, under a brand name Licence. By some called 'new Production Western Electric'. Just not made by Western Electric anymore.

The ones in the rose wood boxes. My personal opinion is, they are over valued. They sure are good, and they are expensive now, when they are real NOS. Myself I have seen Charles Whitener 300B However, with heater breakage on one half of the tube, and I heard this from others too.
1997
2008


Question:
What is the difference between 300A and 300B

Answer: The position of the Bayonet pin (See below)


Drawing of Western Electric 300A / 300B tube

 

Before the 300B, there was the 300A, which had a different position of the Bajonett pin on the socket.

The roots of the WE300B go back to company Gray and Barton, a telephone equipment manufacturer, and the company was re-named in Western Electric in 1881. The export branch of Western Electric was called Western Electric Export Corporation, which again was renamed WESTREX in 1942. In 1958 Westrex was sold to Litton. Western Electric had an original tube shop was in Manhattan. The buildings still exist but they are residential use nowadays.

http://www.bshs.org.uk/travel-guide/bell-telephone-laboratories-manhattan-nyc

http://www.flickr.com/photos/emilio_guerra/8727796611

First tubes, without getter.

Getters already existed at the turn of the century, phosphorus or lime gettering being used for incandescent lamps. WECo could do without gettering for a relatively long period of time since the production runs were limited (practically no commercial sales outside the Bell group) and accordingly, tube part degassing and tube pumping schedules could be as long as needed. It was the pressure of producing tubes faster and cheaper which created the need for gettering: Phosphorous or lime gettering was used by RCA as early as 1922, with a switch to magnesium gettering in 1924-25. It is at the same time that WECo introduced gettering, revising extensively their star repeater tube of the moment (the 101D, originally known as ‘Type L'). Again, see Tyne for details. 

Production began in 1913, and tubes at those days had simple and low numbers. They never thought at those days, a part numbering starting with 'A' would run out so soon. The Western Electric first commercial tube was the Type A, in 1912. Later tubes were called 205A 101D, etc. The A, D. F etc indicate versions, where such versions can be extremely different. One of the earliest know tubes that is still found is the 205A or VT-2 which is the same. This is a no-getter tube, and a relatively high noise level is the result. Interesting to hear, this noise is quite irregular, I don't know how to say it. Noise from high vacuum tubes (modern tubes) is just like a constant 'shhhhh'. Noise from a no getter tube us like 'rttt-trtrt-rtt'. I have several of those tubes here. You need to hear this kind of noise once in your life, it's a very unusual kind of noise, it reminds me of soft rain on a tent roof, and it's a relaxing sound to hear, whereas white noise, as transistors or high vacuum tubes produce, is just something unpleasant as soon as it becomes really audible.

Besides only one no-getter output tube by itself produces as much noise as a complete modern tube amplifier with tube Phono amplifier attached to it. However, they worked, and enough of those have survived. The quality standards were amazingly high at that time, just because the getter was not invented yet, and the only way to make a good tube, was to use cleaner than clean materials, for instance melting the metals under vacuum was one of the standard procedures. Imagine that today tubes are out glowed cherry red, to outgas the metals. So out gassing the liquid metal under vacuum is an ideal process. However, with the coming of the Barium getter, this was not done so much anymore, since the getter cleans it anyway. Still because of superb clean materials, it is amazing many of those very old tubes can be fine still.

 


CETRON

Cetron was sold by Richardson USA, a very large worldwide tube dealer. Cetron made trial runs of 300B for Western Electric Company in the 1980's but they were not deemed satisfactory. Bernie Mager at the KC plant had also a display of fake 300B tubes in his office. Source: Discussions of Attilla Ballaton with Bernie Magers at the KC plant, 1988)

The oldest Cetron 300B I saw in the internet were from 1995, and from what I know, Western Electric closed production in 1988. This leaves us with a gap here of 7 years, which I find a bit curious. Then, from the above table, it can be seen that Charles Whitener, also began production in 1997, and there is an almost 10 years overlap of Charles Whitener's production and Cetron, both say using the 'original' Western Electric tools. So provided, this is true (which I cannot verify), there must have shared the original tools, which should have been possible because there was more than one production line at Western Electric Company.


EI


Just the poor man's 300B, or rather a great idea?

This is an experimental tube, that never made it. It was made by one of the Engineers of EI in Serbia, just out of interest. It was an idea of Mike Matthews from new sensor, and the tube was based on the PL519, and had indeed the characteristics of a 300B, and full 40 Watt. So it's not the history of the 300B, but almost. The tube was to be named 400B. Pictures are send by a friend, they are first hand. I have one here in my collection. It tests really nice.


EMISSION LABS


Factory home page

New model Emission Labs 300B with Western Electric Glass diameter and height.

Emission Labs is a small, family run factory in the Czech republic. They are fully independent, all vacuum technologies, small piece part production, and glass production is in house. They have a line of rectifier tubes, pre-amplifier tubes, 300B family tubes, and a family of larger triodes, of which the largest model 1605 even exceeds the 845 triode. For industrial customers spark bridges and some other vacuum products are made. Production was started in the year 2000, without own brand name at that time. A specialty of Emissionlabs tubes the exceptionally high lifetime of the tubes, and the accordingly long guarantee period, .


JJ

JJ stands for Jan Jorgo, who has passed away. He founded the company in 1994. TESLA has decided to sell off the Audio tubes production, since prices at that time were rock bottom low, they felt this industry was going to die, and the Chinese were dumping tubes for candy prices. They decided to keep the transmitter tubes, which was another mistake. Anyway in 1994 JJ would start building tubes, at first with three types. I believe those were EL84, EL34 and ECC83. Later in 1999 they had a 300B tube in production.

FULLMUSIC

Here you see a specifications overview, I made myself in 2000. I had to do it, because they had no datasheets at that time, believe it or not.

The fun part is now, more than 20 years later, I still see my data sheet flying around in the internet as 'the' Fullmusic datasheet'

These tubes were made by Mr. Liu in China. They make normal 300B tubes, and a mesh version, which is no mesh version, but a punched plate.

Here is my personal experience with Fullmusic tubes, from some years ago.

The appearance of those tubes is fabulous. This factory really has it's best qualities here. Though the blue boxes were falling apart, these are only boxes and it doesn't matter. I was send replacements boxes for free, and I spend my time here glueing tube boxes. I love to do that. With the electrical parameters there were some things I did not understand. I was not able to verify what they wrote on the boxes. When I measure it myself, I have much different values, specifically with two tubes of a pair, and I would like to understand better why that is. To make sure I make no mistake with testing, I asked for test specifications, and the way to make the test set up. I have virtually any tube tester you can think of, so that can not be the problem. Another question I had is, why do I see the test values go down 1...3mA per 24 hours, and after a few days they stabilize. I do not say they send me tubes that were not burned in. If a tube is not burned in, you can see the plate current go up or down for some period of 1..3 days. So not just go down, but also go up. However, the tubes I received all went down. Never went up. :(((( So I expected another explanation for this as just not burned in. I was just thinking I was doing something wrong.

We had several phone calls in Chinese language with the factory to clarify this. The explanation was to be found in the different way of testing, as Mr. Liu has explained to my wife, who speaks Chinese, and she is an engineer too. However, what those differences are, was never quite clear to me. Personally I prefer the kind of test results on the boxes, that can be verified with a normal test set up, which is on paper. However, also with the revised way I was supposed to use, it was not in line with what I find myself when testing new tubes. New phone calls didn't continue where we stopped, that was really difficult. It made the whole confused discussion start from the beginning again. This made the situation so complicated, because not all issues can be solved in one single phone call. This was extremely frustrating, and I decided to give up on it.

Another thing that puzzled me, were the small plots on blue cards, that you find inside the boxes. They seem identical to what is added with the new production Western Electric tubes, only WE use yellow cards. The plot results were beautiful, just anyone would dream of. I asked Mr. Liu to explain to me, why a pair of tubes with identical plots, show different plate current when I use one of my own tube testers. He explained to me, these plots are FAKE. They are just a copy from a Western Electric plot he had laying around. So that was the next misunderstanding. I think I was mistaken because there was no hint anywhere at all, these were just copies, and besides these have the same appearance of the plots WESTERN ELECTRIC adds to their tubes, and WE uses real plots that belong to the specific tube. Yes it is a misunderstanding, we were explained with a friendly oriental smile.

With lifetime expectations, let me diplomatically say the (factory) price is so often in correct relation to the that. We payed only 51US$ for one 300B. Unfortunately shipment was incredibly expensive. All together, I must say, Mr. Liu is a very patient person, and he was always trying to resolve the many misunderstandings, as good as possible.

If someone is interested in rejected Fullmusic tubes, for experiments or display, please let me know. These are for free, and I can add them to a normal order. Maximum quantity is one tube per shipment.

.


Fullmusic 300B Dimensions


Shuguang

Shuguang the largest tube factory in China was government owned. I do not exactly know, what is the situation at Shuguang today. It is said they suffered very heavy from a fire in the factory, and they had to close down. Some people and some equipment went to PSVANE. in 2024 Shuguang re opened. It may change, but while I write this in 2025, their business seems not very significant. .


.

SVETLANA

The Svetlana brand was in use worldwide by the NEWSENSOR company in New York for Audio tubes, and indeed Svetlana build those tubes for them. Then, New Sensor had their products from the Reflector factory in Russia, which they say to own. They kept on using the Svetlana brand, which they could successfully register in some countries, but not in all. So, legal trouble about this came up, and as far as I know there was some kind of agreement, where the s Svetlana 'S' logo can be by New Sensor USA, and Winged C logo, in short =C= being is used by the Svetlana factory. While at the same time, the Svetlana brand name was given to New Sensor for some countries, and to Svetlane itself for other counmries. So quite a bit of a mess.


REFLEKTOR (= Electro Harmonix = Sovtek)

See under Svetlana for 'history' (will be continued)


VAIC VALVE

Factory home page from 1998...2001

AVVT was a small tube factory, founded somewhere in 1995, by Dipl. Ing. Alesa Vaic, from the Czech Republic. Mr. Vaic followed the last class of Vacuum Technology at the Prague university, and was doing his practical year at the Tesla tube factory. Here, he learned to know the right people that could build tubes for him, and with him. It is not known to many people, but he started by making absolutely beautiful copies of the Marconi 'R' Valve.

datasheet zipped file of tubes for battery radios by VAIC VALVE

Then his first 'real' tube was the VAIC VALVE VV30B, a somewhat larger version if the 300B. The VV30 Factory price was in the beginning 125DM (60Euro) for private persons. These VV30B were very good quality. It is hard to imagine, it was not easy to sell then in those days. There was no internet, and the way to communicate was by fax, which at that time cost you 5 Euro per minute to some countries. Well, we think back, and we all say we should have done this or that, Just when I look back, I should have invested in a nice stack of those good old VV30's. On the other hand 60 Euro was a lot of money in 1995. I think truly NOS VV30 will sell good for 10x the price now. Some history of 300B that is!

.

All machines were self-made, and or modified from existing machines. While at that moment, the classical tube industry was dying, the supply of old machines was very large. This was in the dark days where 40 ears of socialism had eaten up all resources, and now nothing was left but rotten buildings and demotivated people. In the middle of that, there were new branched of industry developing, while the communists and socialists had to let go and leave a mess. So that was a dynamic situation, where the old was making place for the new. Alesa Vaic managed to set up his small plant with money from English and Japanese investors. Sure he was a good sales man too.

Here you see the later brand name AVVT tube being tested. This is one 300B that was burning all day and night in the factory, demonstrating the 300B lifetime of the tube. I got Alesa wearing a pink short and a neck tie for this photo shoot, in 1998.

What you see here, is the normal was for 300B tubes, using light bulbs as load resistors, giving a stabile bias, and being a fuse at the same time. Also this is giving a quick indication if a tubes work good or not. A nice and classical method, used all around the world.

VAIC VALVE VV30B Curves, tested with Audiomatica Sofia tester

300B Mesh by AVVT (previous Vaic-Valve)

Above are VV30B original typewriter made datasheets by Alesa Vaic himself.

VV30 Plot, with the handwriting of Alesa Vaic


.

WESTERN ELECTRIC PART 1.


VINTAGE PRODUCTION UNTIL 1988

Here is the famous Western Electric Hawthorne plant under construction in 1904. The most interesting detail, I think is the water tower. You can see the tank inside. On the right you see a drugstore, and on the left a Laundry. On the newer color picture (below) you can still see those buildings. If you look carefully you see more details still there.

.

Western Electric Factory, founded 1919

To go to the crossroad, exactly where the tower on this picture is, enter this data in Google Earth: 41 51' 3.62" N 87 44' 38.52" W

There is a thing called the Hawthorne effect, named after the location of this factory. This is elementary. In the main days of electron tube production, interesting experiments were done to find out how workers can be motivated to produce work of a better quality. The idea was to study this in detail, with graphs. They expected to end up with the required amount of light a person of a certain skill would need, to produce best possible work. The Hawthorne experiments were designed by Harvard Professor Elton Mayo, a psychologist by training. It is said his work is the cornerstone of modern human resource management, and the sociology of industrial organizations. See Also Note1

This factory was perfectly suited for this, due to many identical working rooms. They began with more brilliant lamps. Indeed, this had a positive effect, and the investment payed off. They made graphs of the quality versus light intensity. They tried also other things that make people feel better. Like giving 5 minutes breaks, and try with or without food. If something had a positive result, still after some time the results always fell back to the old level. This was subject of a follow up investigation together with Harvard university and representatives of the national industry. It appeared the 'care' for the workers caused the better quality. Not the improved conditions itself. The idea was then, to make 'good care for your employees' a program, to increase quality in a more permanent way. Managers were asked to make personal compliments to workers, in front of the others. The conversations were put on paper and studied. It went into the management classes of Harvard Business school as the 'Hawthorne effect'. Still valid today. It may seem nothing special now, but it was in 1930, the 'Hawthorne effect' went into the school books.

 

300B-old-site-Cicero

So sad, this landmark of industry. Look what the city of Cicero made out of it. Such a mess.

WESTERN REPLICA #1
PRODUCTION UNTIL 2008

Western Electric branded 300B, but made by WESTREX, Huntsville, USA.


Huntsville factory building

This is a nice marketing picture of the first series of retro 300B, out of production since 2008.

 


Some notes about tube Part Numbering

Some nice amplifiers with Western Electric tubes.

 

 

Pictures of early telephone amplifier, with no-getter tubes

Excellent schematic. Still recommended do to it this way, now 100 years later.

First Barium Getter tubes.

They just gettered the 205A and there you have a 205D. This tube, the 205D is a very good tube, it is state of the art so to say, and nothing was ever improved anymore from now on. Only the manufacturing methods of course, since 205D was entirely made by hand. Similar tubes from this period are 102D, etc. Here are some historical pictures from such a manufacturing line. These pictures are from 1939, from November issue of Electronics magazine.

This is the famous Sealex machine, also called a carousel. It is a masterpiece. It manufactures the tubes by machine, but needs more than one operator as you can see.

This is the famous Sealex machine, also called a carousel. It is a masterpiece. It manufactures the tubes by machine, but needs more than one operator as you can see.


 

Burn-in before final testing.


300B tube description (old production xxx---1988) Production of WE 300B was stopped in 1988, and a last buy option was given to all. After the tube was off the market for some time, an American called Charlie Whitener, set up the production again, using all old tools and machines, retired employees, and old materials. In industry, with 'materials' is always meant half-products, such as filament wire, etc. You will find various opinions of this in the internet, but I heard it often that the original old production is preferred by many.

Prices:

NOS or like NOS tubes, jumped over the 1000$ some ago, and everybody way screaming: Crazy.. Crazy! Well, I think vintage tubes are the safest investment you can make. I see people pay prices for risky stocks, and many things can go wrong with those. With tubes, market mechanisms are so easy, and predictable too. Available quantities will never go down, and available money will go up as long as the available money quantity going up. And sure that quantity goes up as long as all governments try to win the world wide money printing contest.

Basically it comes down to this: There is an available sum of money worldwide, ready to be invested in NOS WE 300B. Also, there is the available quantity of NOS tubes. So this money just spreads over the available tubes, and that points into the direction of the market price.

Market Price = Available money divided by available Quantity.

All that needs to happen, the available sum of money doubles, because twice as much rich people become interested. That will double market prices just by looking at it. Of course people that can't afford it, are also interested. They are so much interested. Only, that has no influence on the market prices. Same as when you and I say, a Picasso paintings is too expensive, and for less money there are much better paintings to buy. Fine when we say it 1000 times in the internet, but market prices do not works like that. Rather they are made like this: Market Price = Available money divided by available Quantity. This is the simple and elementary mechanism decides what NOS tubes cost. So you think 3500$ for a NOS WE 300B is crazy? Just wait until 10000$ is crazy and you will find 3500$ cheap. ........... to be continued.


.

These little cards were added with later (retro) production of the WE300B. These appear to be real plots. I checked a few here, they are correct and corresponding nicely to the tubes that were added. However, I do have a comment on the test result. If you look at the test data this (new) tube shows only 44.9mA instead of 60mA. There is general conception that a good tube may not be down more than 70%. So lower than 42mA is not a good tube anymore. By itself the curves are healthy, so no problem. It is just the myth of the 'PERFECT REPLICA TUBE' I see not confirmed here. The plots show tubes of normally good quality, but to my opinion they lack the consistent bias of the originals (last made in 1988). Also the curves may look good of first sight, but personally I strongyl disagree with their graphical representation. You can click on the picture for full size, and it can be seen, the curves are made up to 450V / 300mA. Such a setting cannot be used as a bias point of course, but also there is no amplifier that will sweep through such settings. There is no practical use for this, but it does give an artificial appearance of more linearity when displaying curves of 450V 300mA. (This equals 135 Watt dissipation). Moreover, and this is really sad, the area on the right side of a NORMAL bias point is missing. This is where non linearity would appear. If you look for instance here you will see this range is nicely plotted. Those curves can be found on the website of Audiomatica Italy (the makers of the vintage Sofia curve tracer). So just take those curves of the vintage VAIC VALVE 300B, plotted there, and only look at that part of the curves as WE plotted. You will see the much nicer linearity of the VAIC VALVE. Yet at a first sight, the WE curves look nicer, because 1) they leave away the non linear curves and 2) the plot the linear curves even further out, to a useless range, current up to 5x higher as realistic. I hope I won't repeat myself too much here, but when WE calls themself the standard for quality, as you can read on their above pictures. Now, big words are easy to write, but we need a comparison too, and to my opinion clearly the VAIC VALVE exceeds their curves in terms of quality not just a little bit. Most of all, the VAIC VALVE shows the critical part of the curves (so where distortion takes place in a real amplifier)

First lets look at some other tubes:

 

CETRON 300B CURVES. Curves made by the Audiomatica company (who builds the Sofia)

Some notes about the quality see here: The cut off is not as nice as with VAIC VALVE. The -15V has a sharp cut off, but if you look at the -90V line, I would hardly call this a line. The bottom end looks like a circle. Specifically when looking at the area between 375V and 525V, all at the bottom, you see the curves do not cut off, but curve all the way until they are horizontal.


 

VAIC VALVE, VV30B CURVES. Curves made by the Audiomatica company (who builds the Sofia)

Some notes about the quality see here: Unlike with the CETRON, here with the Vaic Valve, you will observe in the area between 375V and 525V indeed a clear cut off. So the curves do not tend to bend all horizontal.


.

EML 300B CURVES With Sofia tester. Curves made by AMR, USA

Some notes about the quality see here:

These show a further improvement. Not only is the cut off well defined, as with the VAIC VALVE. Also with the EML the curves are nicely parallel to each other, much better than the VAIC VALVE tube. Quality and appearance of the curves looks better identical to Western Electric, or better.


WE 300B CURVES. Data made by WE, added to a pair of tubes.

Some notes about the quality seen here: Also excellent curves, though the curves are only shown until -80V, so the more bad ones, like -100V and above, are not shown. (or even up to -150V with the VAIC VALVE). Compared to this, I think the VAIC VALVE, from -75 to -90V looks much better. When I have time, I will also measure the EHX AND SOVTEK 300B with the Sofia. The plots above are not made by myself though.




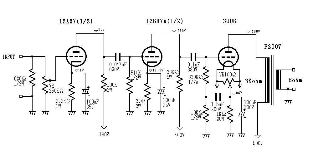
SOME 300B CIRCUITS


Specifications and maximum ratings, by Western Electric 300B tube datasheet

Filament Voltage: 5V
Filament Current:1.2A
Plate Voltage (max): 450V
Plate Current (max): 100mA
Plate Dissipation (max): 40W


300B tube curves, Measured with Sofia Digital tube tester. Link here


  • Here is a small gift for owners of the famous Funke W19 tester. This card can also test 300B-XLS, 300B-mesh by Emission Labs. I have configured this card to print at the correct size. Print it 'as is'.

  • Click this picture, so read the complete Western Electric 300B datasheet. It has harmonic Distortion numbers for all harmonics, at each setting. Most probably, these distortion numbers are only calculated, though they do not say so they are measured or calculated. In the WE 205D datasheet, this is explained how to calculate it.

    Note1) Another AT&T milestone is the work and lasting impact on production management of Walter Shewart, a physicist at Bell Labs, who single-handedly invented the concept of statistical quality control for industrial mass production, applying it first at WECo. One cannot overstate the impact that this concept has had across all industries world-wide ever since (Motorola's six sigmas adoption in the 1980's is a modernization of the initial concept). Interestingly enough, one of his disciples, Edwards Deming, is better known today than Shewart because of his key role in the successful re industrialization of Japan after 1945 (Deming enjoying a quasi-god status with Japanese industry people: they still award today a Deming Prize every year.